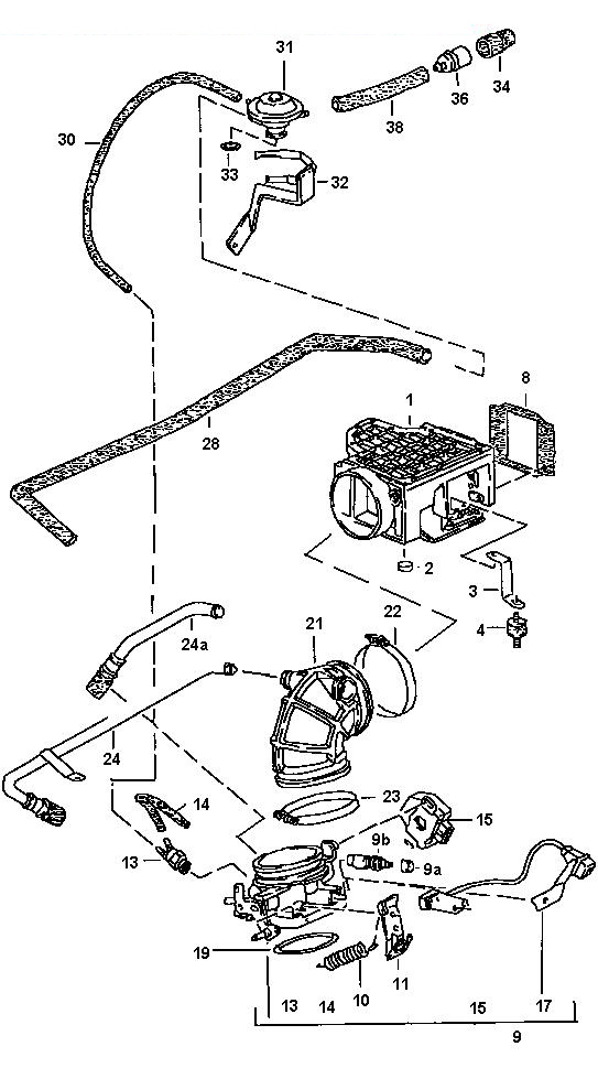
L-Jetronic 1 Bj.84-89
Bitte klicken Sie in der unteren Liste auf den Artikel um Details und die Artikelnummer angezeigt zu bekommen.
							
												
													
					
				
				1 bis 1 (von insgesamt 1)
			
		Bitte klicken Sie in der unteren Liste auf den Artikel um Details und die Artikelnummer angezeigt zu bekommen.